Identity area
Reference code
PDM-04-60999
Title
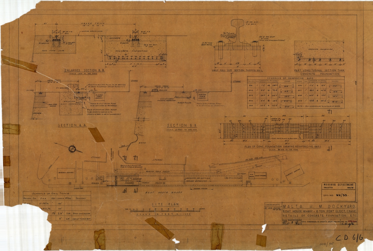
Malta - H.M. Dockyard - Boat House Wharf - 6 Ton Port Elect. Crane - Details of Concrete Foundation Etc.
Date(s)
- 16.6.1945 (Creation)
Level of description
Item
Extent and medium
One Drawing size:934 x 630 in Paper (Heavy)
Context area
Name of creator
Biographical history
Archival history
Original Reference No: WH/35
Immediate source of acquisition or transfer
Content and structure area
Scope and content
Site: (Boathouse Wharf in French Creek) by: E. Zarb
Appraisal, destruction and scheduling
Accruals
System of arrangement
Conditions of access and use area
Conditions governing access
Conditions governing reproduction
Language of material
Script of material
Language and script notes
Physical characteristics and technical requirements
Physical Condition: Damaged; Staining: TRUE; Creasing or wrinkling: FALSE; Torn edges / corners: TRUE; Torn through center of drawing: FALSE
Finding aids
Allied materials area
Existence and location of originals
Drawer 23
Existence and location of copies
Related units of description
Notes area
Note
DWG. No.574/45 ('574/45' struck out with Red pencil); C.D. 6/6
